仓储物流设备

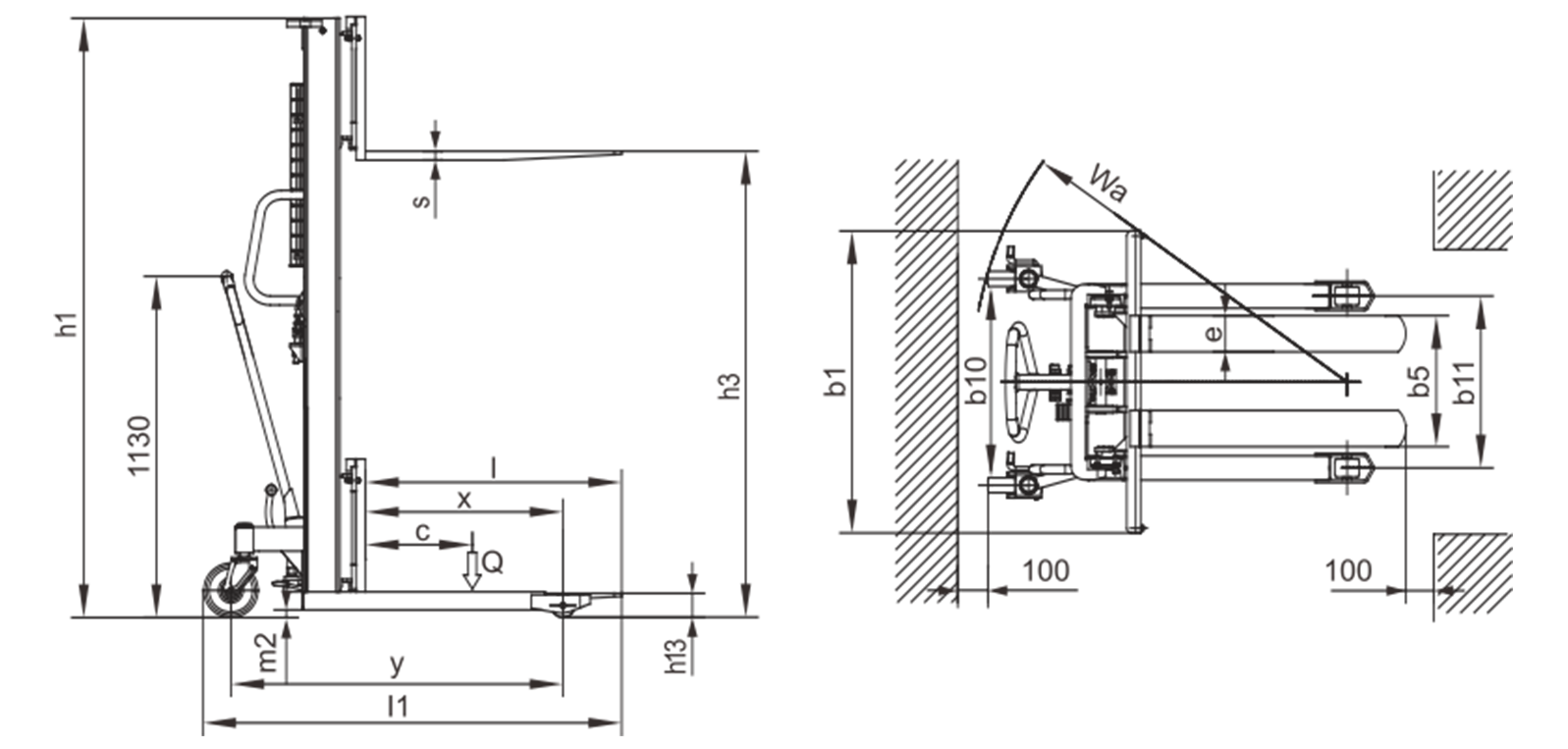
门架前移式电动堆垛车(CQD12R/CQD15R/CQD20R)

浏览详情

门架前移式电动堆垛车(CQD12R/CQD15R/CQD20R)

产品特点

采用长手柄步行式结构,转向轻便灵活,具有良好的操控性能(进口手柄总成);

该车采用两根起升油缸,并将起升油缸和链条外置于门架两侧,提高了货物起升时的侧向稳定性,加宽了操作者的视野;

门架立柱材料为进口的高起升专用型钢;

货叉具有前后倾功能,有利于货物的装卸和堆垛作业;

整车结构紧凑,重心低,具有良好转向稳定性;

大容量蓄电池,保证动力强劲持久;

采用交流变频牵引电机:结构紧凑、性能高,具有再生制动且保养简便;

进口交流控制系统,反应灵敏、减少保养与噪音,无论从低速到高速还是高速到低速均有强劲的控制能力;

低电压保护,延长电瓶使用寿命;

采用立式驱动轮,低噪音,传动效率高,安装维护保养方便;

整车制动可靠,将电磁制动器与再生制动相结合,大大延长了摩擦片的使用寿命;

可靠的多路阀液压控制系统,具有提升,前后移、前后倾功能;

内置充电器、全自由提升、货叉侧移,可作为客户的选配,门架起升高度为2.5米至5.6米,承载能力由1吨到1.25吨;

可调的下降限速阀可调整门架下降的速度;

门架后方安装有橡胶减震垫,防止门架后移时的撞击,降低噪声;

高起升三级门架安装高度限位开关,保证门架起升的稳定性及安全性能;

电源箱盖采用磁铁吸合,无螺丝固定,安装拆卸容易;

整车维护保养方便,只需打开电源箱盖,即可对蓄电池维护保养,前置的油箱添加液压油更是便捷;

蓄电池两侧无挡板,有利于蓄电池的散热,吊装方便安全;

整车噪音低。

技术参数

产品参数.png

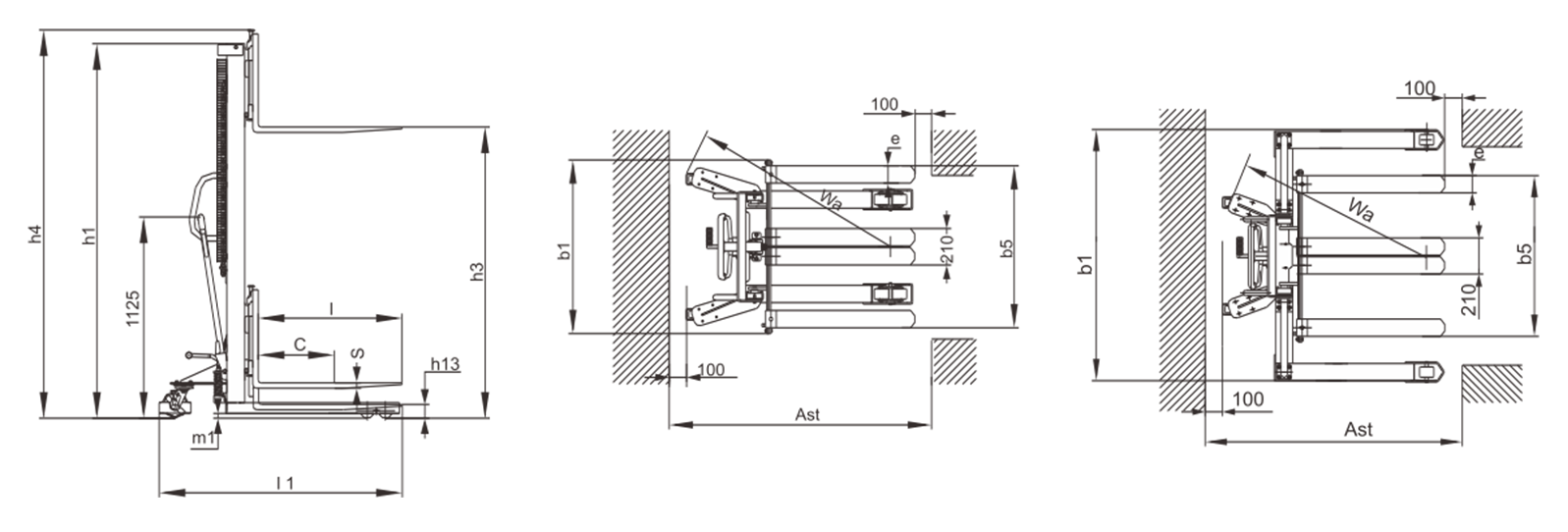
产品线图

手动堆垛车(SDJ500/1000/1500)

浏览详情

手动堆垛车(SDJ500/1000/1500)

产品特点

门架采用优质型钢焊成,刚性好、强度高,可长久使用:车身结构灵巧轻便,转弯半径小,操作舒适等优点,适合模具加工业,物流业以及仓库、码头、超市等场所使用;手动脚动可替换操作的提升功能,使人操作不易疲劳,大大提高了工作效率;标准配置的门架以及货叉宽度,适合国内外的托盘堆垛使用。

技术参数

SDJA.SDJAS产品参数.png

SDJ产品参数.png

产品线图

手动堆垛车(SDJA500/1000/1500)

浏览详情

手动堆垛车(SDJA500/1000/1500)

产品特点

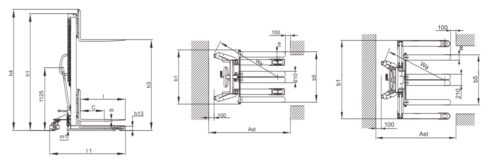
门架采用优质型钢焊成,刚性好、强度高,可长久使用:车身结构灵巧轻便,转弯半径小,操作舒适等优点,适合模具加工业,物流业以及仓库、码头、超市等场所使用;手动脚动可替换操作的提升功能,使人操作不易疲劳,大大提高了工作效率;标准配置的门架以及货叉宽度,适合国内外的托盘堆垛使用。

技术参数

SDJA.SDJAS产品参数.png

SDJ产品参数.png

产品线图

手动堆垛车(SDJAS500/1000)

浏览详情

手动堆垛车(SDJAS500/1000)

产品特点

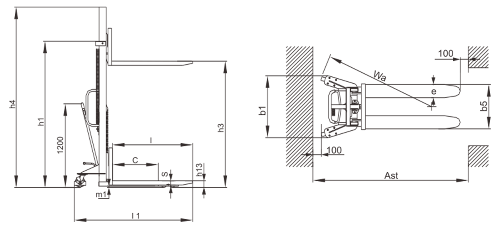
门架采用优质型钢焊成,刚性好、强度高,可长久使用:车身结构灵巧轻便,转弯半径小,操作舒适等优点,适合模具加工业,物流业以及仓库、码头、超市等场所使用;手动脚动可替换操作的提升功能,使人操作不易疲劳,大大提高了工作效率;标准配置的门架以及货叉宽度,适合国内外的托盘堆垛使用。

技术参数

SDJA.SDJAS产品参数.png

SDJ产品参数.png

产品线图

手动堆垛车(SJJA20E)

浏览详情

手动堆垛车(SJJA20E)

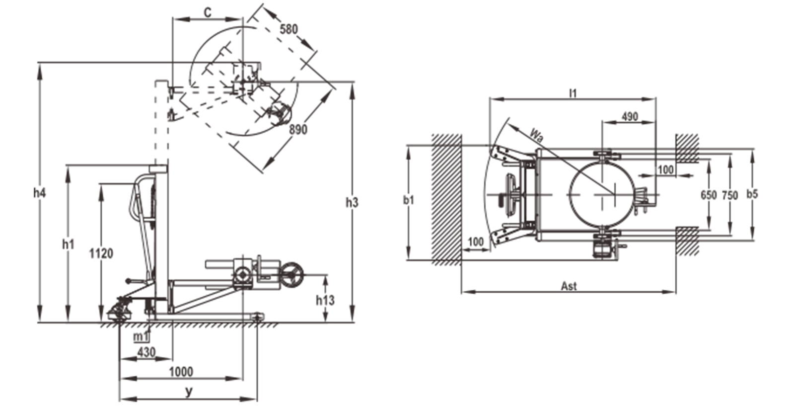
产品特点

门架采用优质型钢焊成,刚性好、强度高,可长久使用:车身结构灵巧轻便,转弯半径小,操作舒适等优点,适合模具加工业,物流业以及仓库、码头、超市等场所使用;手动脚动可替换操作的提升功能,使人操作不易疲劳,大大提高了工作效率;标准配置的门架以及货叉宽度,适合国内外的托盘堆垛使用。

技术参数

YTD-35产品参数.png

产品线图

局部图1.png

局部图2.png

油桶车(YTD-35)

浏览详情

油桶车(YTD-35)

产品特点

技术参数

YTD-35产品参数.png

产品线图

局部图3.png

1234
  • 20条记录 第3页/共4