产品特点
稳定性高
宽大而坚固的叉车底盘,保证了叉车足够的稳定性;
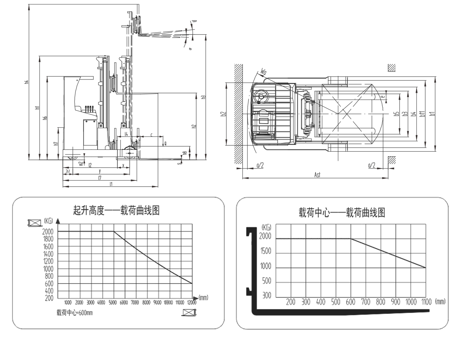
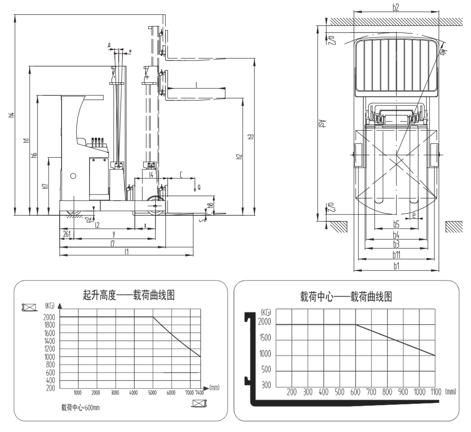
最大起升高度12m;
采用优质的进口门架,提高门架的使用寿命和稳定性;
宽畅舒适的驾驶室和可调式座椅,更加体现了本车的人性化设计;
采用双电控控制,货物的提升和叉车的行驶都可实现无级调速。
安全、高性能
高位隈速设置,当货叉起升达到一定高度时,车辆行驶速度会自动下降,确保高空作业的安全;
全液压助力转向系统,使转向灵活轻便;
前双轮和后轮均采用液压制动,驱动电机的制动由电控系统进行控制,使叉车的启动、行驶和制动更加有效;
驱动和转向系统一体化设计。
电瓶操作更简便
电瓶的安装有两种方式可供选择:
1. 侧面拉出,使电瓶的更换更加方便;
2. 电瓶的推出和拉进随门架自动完成,便于日常维护。
高起升车辆选配
电子转向系统;
电子多路阀;
LCD显示屏和摄像头;
高度显示,高度定位与高度选择系统。